4х осный бензовоз полуприцеп стальной SF4332.4S_02

  • ППЦ 4х осный бензовоз полуприцеп стальной SF4332.4S_02, выполнена из низколегированной стали. 
  • Общая вместительность составляет 32 м3, с разделением на 4 отсека с объемами 8,2 м3/ 5,5 м3/ 11,0 м3/7,3 м3. 
  • Четырехосная односкатная с пневмоподвеской «BPW» (Германия), гарантия предоставляется фирмой «BPW» до 3 лет. 
  • Общая масса полуприцепа 35600 кг. 
  • Двухпроводная тормозная система, оснащенная системой 2S/2M с функцией ABS;
  • Полуприцеп оборудован крыльями из ПВХ. 
  • Высота ССУ от 1150 до 1250 мм.

Номинальная емкость, л
32000
Отсеков
4 (8,2 м3/ 5,5 м3/ 11,0 м3/7,3 м3)
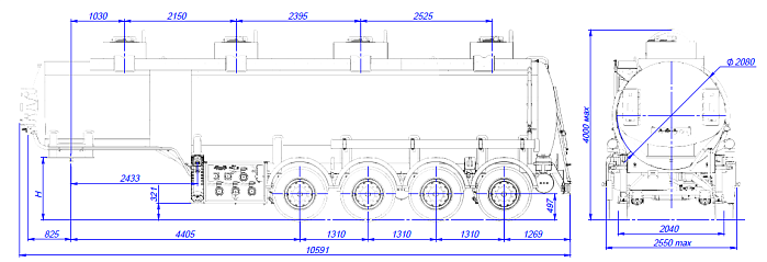
Общая длина, мм
10600
Высота, мм
4000
Ширина, мм
2550
Колесная база, мм
4405+1310+1310+1310
Расстояние между осями, мм
1310
Колеса
385/65R22,5; 8+1
Общая масса брутто, кг
35600
Нагрузка ССУ, кг
9840
Нагрузка на оси, кг
25760
Грузоподъемность, кг
27400
Колесная формула тягача
4x2
Масса снаряжённого ТС, кг
8200
Оси
BPW
Рекуперация
Нет
Расположение технологического ящика
Слева
Насос
Да

4х осный стальной бензовоз SF4332.4S_02 - это полуприцеп-цистерна, предназначенная для перевозки и временного хранения бензина и светлых нефтепродуктов (бензина, керосина, дизельного топлива и т.д.). Конструкция цистерны выполнена из низколегированной стали. Объем цистерны составляет 32 м3. Бензовоз разделяется на 4 отсека, с объемами 8,2 м3/ 5,5 м3/ 11,0 м3/7,3 м3. Бензовоз SF4332.4S_02 предназначен для эксплуатации с авто МАЗ, MAN, SCANIA и другие. 

Транспортируется тягачом колесной формулой 4х2 российского или иностранного производства. Ходовая часть полуприцепа четырехосная односкатная с пневмоподвеской или рессорной (на выбор клиента) производства «BPW» (Германия), гарантия предоставляется фирмой «BPW» до 3 лет. Двухпроводная тормозная система, оснащенная системой 2S/2M с функцией ABS. Полуприцеп SF4332.4S_02 оборудован крыльями из ПВХ. Цистерна подвергается специальной обработки с предварительной грунтовкой, обогащенной цинком и окрашиванием в один цвет высококачественной двухкомпонентной краской. Высота седельно-сцепного устройства от 1150 до 1250 мм. Дополнительно может быть установлено разнообразное оборудование, такое как насос, счетчик, узел выдачи топлива, система рекуперации паров, система нижнего налива и т.д.

Консультация инженера

Наши инженеры помогут Вам рассчитать оптимальную нагрузку на дорогу по постановлению Правительства РФ №12 от 01.05.2015 г. под Ваш груз и Ваш тягач для работы без перегруза и штрафов.

Есть индивидуальный проект?

Если у Вас есть индивидуальный проект - заполните опросный лист и пришлите его нам для расчета.

Файлы Cookie

Для повышения удобства работы с сайтом на нем используются файлы cookie. В cookie содержатся данные о Ваших прошлых посещениях сайта. Если Вы не хотите, чтобы эти данные обрабатывались, отключите cookie в настройках браузера