4х осный бензовоз полуприцеп стальной SF4332.4S_17

  • ППЦ 4х осный бензовоз полуприцеп стальной SF4332.4S_17, выполнена из низколегированной стали;
  • Общая вместительность составляет 32 м3, с разделением на 4 отсека;
  • Общая масса полуприцепа 30800 кг.;
  • Двухпроводная тормозная система, оснащенная системой 2S/2M с функцией ABS;
  • Полуприцеп оборудован крыльями из ПВХ;
  • Высота ССУ 1150-1250 мм.

Номинальная емкость, л
32000
Отсеков
4
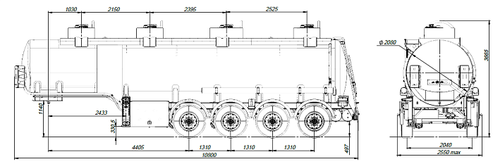
Общая длина, мм
11000
Высота, мм
3700
Ширина, мм
2550
Колесная база, мм
4405+1310+1310+1310
Расстояние между осями, мм
1310
Колеса
385/65R22,5; 8+1
Общая масса брутто, кг
31000
Нагрузка ССУ, кг
8360
Нагрузка на оси, кг
22440
Грузоподъемность, кг
22250
Колесная формула тягача
4x2
Масса снаряжённого ТС, кг
8550
Оси
BPW
Рекуперация
Нет
Расположение технологического ящика
Слева
Насос
Нет

4х осный бензовоз полуприцеп стальной SF4332.4S_17 - полуприцеп-цистерна, предназначенная для перевозки и временного хранения бензина и светлых нефтепродуктов (бензина, керосина, дизельного топлива и т.д.). Конструкция цистерны выполнена из низколегированной стали. Объем цистерны составляет 32 м3. Бензовоз разделяется на 4 отсека. Бензовоз предназначен для эксплуатации с авто МАЗ, КАМАЗ, MAN и другие. Транспортируется тягачом колесной формулой 4х2 российского или иностранного производства.

Двухпроводная тормозная система, оснащенная системой 2S/2M с функцией ABS. Полуприцеп оборудован крыльями из ПВХ. Цистерна подвергается специальной обработки с предварительной грунтовкой, обогащенной цинком и окрашиванием в один цвет высококачественной двухкомпонентной краской. Высота седельно-сцепного устройства 1150-1250 мм. Дополнительно может быть установлено разнообразное оборудование, такое как насос, счетчик, узел выдачи топлива, система рекуперации паров, система нижнего налива и т.д.

Консультация инженера

Наши инженеры помогут Вам рассчитать оптимальную нагрузку на дорогу по постановлению Правительства РФ №12 от 01.05.2015 г. под Ваш груз и Ваш тягач для работы без перегруза и штрафов.

Есть индивидуальный проект?

Если у Вас есть индивидуальный проект - заполните опросный лист и пришлите его нам для расчета.

Файлы Cookie

Для повышения удобства работы с сайтом на нем используются файлы cookie. В cookie содержатся данные о Ваших прошлых посещениях сайта. Если Вы не хотите, чтобы эти данные обрабатывались, отключите cookie в настройках браузера