
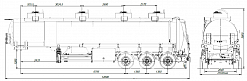
Бензовоз SF3340
Полуприцеп-цистерна для светлых нефтепродуктов из низколегированной стали
- Номинальная емкость, л
- 40000
- Количество отсеков
- 4 (12,3 м3/7,4 м3/9,5 м3/10,8 м3)
- Общая длина, мм
- 11660
- Высота, мм
- 3780
- Ширина, мм
- 2550
- Колесная база, мм
- 6795+1360+1360
- Расстояние между осями, мм
- 1360
- Колеса
- 385/65R22,5; 6+1
- Общая масса брутто, кг
- 42250
- Нагрузка ССУ, кг
- 15250
- Нагрузка на оси, кг
- 27000
- Грузоподъемность, кг
- 34400
- Масса снаряжённого ТС, кг
- 7850
Полуприцеп-цистерна SF3340 предназначена для перевозки бензина, солярки и других нефтепродуктов, относящиеся к категории светлого топлива – плотность вещества до 860 килограмм на кубический метр. Допускается временное хранение нефтепродуктов в цистерне при дополнительной комплектации насосами и узлами выдачи топлива. Модель SF3340 эксплуатируется за счет транспортировки тягачом колесной формулой 4х2 (6х4) российского или иностранного производства МАЗ, MAN и других производителей.
Бензовоз SF3340 имеет габариты - 11,66х2,55х3,78 м; полную массу - 42250 кг; показатель грузоподъемности - 34400 кг. База осей от BPW – основной элемент ходовой тележки, на которую устанавливается автоцистерна. Изготавливается из стальных сплавов с показателями низкого легирования. Комплектация цистерны обязательно включает дыхательные клапаны, запорную арматуру, заливные горловины. Вместимость цистерны составляет 40 кубических метров. Объем разделен на 4 отсека, с вместимостью 12,3 м3/7,4 м3/9,5 м3/10,8 м3.
Полуприцепы-бензовозы производства ЗАО «Сеспель» можно приобрести в Санкт-Петербурге, Нижнем Новгороде, Москве, Казани, Челябинске, Ростов-на-Дону – и в других городах России и странах СНГ. Для оформления заказа или получения подробной информации, оставьте заявку на сайте или позвоните по номеру телефона, указанному на сайте.
Либо обратитесь к нашим специалистам и подберите комплектацию индивидуально












Наши инженеры помогут Вам рассчитать оптимальную нагрузку на дорогу по постановлению Правительства РФ №12 от 01.05.2015 г. под Ваш груз и Ваш тягач для работы без перегруза и штрафов.
Если у Вас есть индивидуальный проект - заполните опросный лист и пришлите его нам для расчета.

