SF4B30.1S_40, 30 м3, 1 отсек, ССУ 1150

Битумовоз SF4B30 - это весьма узкоспециализированная автоцистерна, которая предназначена для перевозки и временного хранения битума, мазута, сырой нефти, а также некоторых других веществ, разогретых до температуры 200 градусов.
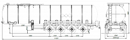
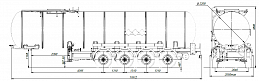
4-х осный битумовоз SF4B30 - это весьма узкоспециализированная автоцистерна, которая предназначена для перевозки и временного хранения битума, мазута, сырой нефти, а также некоторых других веществ, разогретых до температуры 200 градусов. Конструкция цистерны выполнена из низколегированной стали. Объем цистерны составляет 30 м3. Четырехосный битумовоз SF4B30 разделяется на 1 отсек. Транспортируется тягачом колесной формулой 4х2 российского или иностранного производства.
Ходовая часть полуприцепа четырехосная односкатная производства «BPW» (Германия), гарантия предоставляется фирмой «BPW» до 3 лет. Двухпроводная тормозная система, оснащенная системой 2S/2M с функцией ABS. Полуприцеп SF4B30 оборудован крыльями из ПВХ. Цистерна подвергается специальной обработки с предварительной грунтовкой, обогащенной цинком и окрашиванием в один цвет высококачественной двухкомпонентной краской. Высота седельно-сцепного устройства 1150-1250 мм. Общая масса 36 тонн.
Либо обратитесь к нашим специалистам и подберите комплектацию индивидуально









































Наши инженеры помогут Вам рассчитать оптимальную нагрузку на дорогу по постановлению Правительства РФ №12 от 01.05.2015 г. под Ваш груз и Ваш тягач для работы без перегруза и штрафов.
Если у Вас есть индивидуальный проект - заполните опросный лист и пришлите его нам для расчета.

