4х осный бензовоз полуприцеп стальной SF4332.3S_17

Бензовоз полуприцеп стальной SF4332 - это полуприцеп-цистерна, предназначенная для перевозки и временного хранения бензина и светлых нефтепродуктов (бензина,керосина,дизельного топлива и т.д.)
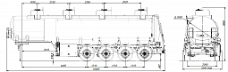
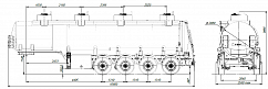
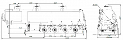
Стальной 4-х осный бензовоз SF4332 - полуприцеп-цистерна, предназначенная для перевозки и временного хранения бензина и светлых нефтепродуктов (бензина, керосина, дизельного топлива и т.д.). Конструкция цистерны выполнена из алюминиевого сплава. Объем цистерны составляет 32 м3. Полуприцеп для дизельного топлива разделяется на 3 отсека, с объемами 8,2 м3/10,5 м3/13,3 м3. Стальной четырехосный полуприцеп предназначен для эксплуатации с авто МАЗ, MAN и другие.
Транспортируется тягачом колесной формулой 4х2 (6х4) российского или иностранного производства. Ходовая часть полуприцепа четырехосная односкатная с пневмоподвеской или рессорной (на выбор клиента) производства «BPW» (Германия), гарантия предоставляется фирмой «BPW» до 3 лет. Двухпроводная тормозная система, оснащенная системой 2S/2M с функцией ABS. Полуприцеп оборудован крыльями из ПВХ. Цистерна подвергается специальной обработки с предварительной грунтовкой, обогащенной цинком и окрашиванием в один цвет высококачественной двухкомпонентной краской. Высота седельно-сцепного устройства 1200 мм. Дополнительно может быть установлено разнообразное оборудование, такое как насос, счетчик, узел выдачи топлива, система рекуперации паров, система нижнего налива и т.д.
Либо обратитесь к нашим специалистам и подберите комплектацию индивидуально



























































Наши инженеры помогут Вам рассчитать оптимальную нагрузку на дорогу по постановлению Правительства РФ №12 от 01.05.2015 г. под Ваш груз и Ваш тягач для работы без перегруза и штрафов.
Если у Вас есть индивидуальный проект - заполните опросный лист и пришлите его нам для расчета.



