SF3328_3S-10000-01 ССУ 1250, 3 отсека, 30 м3
Бензовоз SF3328_3S-10000-01 - полуприцеп-цистерна, предназначенная для перевозки и временного хранения бензина и светлых нефтепродуктов (бензина, керосина, дизельного топлива и т.д.). Конструкция цистерны выполнена из низколегированной стали. Объем цистерны составляет 28 м3. Бензовоз разделяется на 3 отсека, с объемами 8,2 м3/11,1 м3/10,7 м3.
Бензовоз SF3328_3S-10000-01 предназначен для эксплуатации с авто МАЗ, КАМАЗ, MAN, SCANIA и другие. Транспортируется тягачом колесной формулой 4х2 (6х4) российского или иностранного производства. Ходовая часть полуприцепа трехосная односкатная с пневмоподвеской или рессорной (на выбор клиента) производства «BPW» (Германия), гарантия предоставляется фирмой «BPW» до 3 лет. Двухпроводная тормозная система, оснащенная системой 2S/2M с функцией ABS. Полуприцеп оборудован крыльями из ПВХ.
Цистерна SF3328_3S-10000-01 подвергается специальной обработки с предварительной грунтовкой, обогащенной цинком и окрашиванием в один цвет высококачественной двухкомпонентной краской. Высота седельно-сцепного устройства от 1150 до 1250 мм. Дополнительно может быть установлено разнообразное оборудование, такое как насос, счетчик, узел выдачи топлива, система рекуперации паров, система нижнего налива и т.д.
Технические характеристики
| Математическая модель | SF3328_3S-10000-01 |
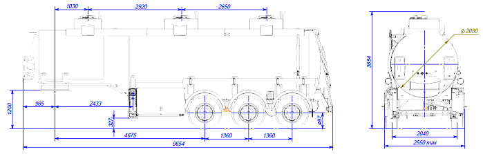
| Номинальная емкость, л | 30000 |
| Общая длина, мм | 10125 |
| Высота, мм | 3700 |
| Ширина, мм | 2550 |
| Колесная база, мм | 4819,5 +1360 + 1360 |
| Расстояние между осями, мм | 1360 |
| Колеса | 385/65R22,5; 6+1. |
| Общая масса брутто, кг | 32000 |
| Нагрузка ССУ, кг | 9350 |
| Нагрузка на оси, кг | 22650 |
| Грузоподъемность, кг | 26500 |
| Колесная формула тягача | 6x4 |
| Количество отсеков | 3 |
| Масса снаряжённого ТС, кг | 7100 |
| Оси | BPW |
| Высота ССУ, мм | 1150 |
| Рекуперация | Нет |
| Материал | Сталь |
| Расположение технологического ящика | Единый |
| Насос | Да |
|
Подробнее
|
|
Консультация инженера
