SF3328_3S_06 ССУ 1443, 3 отсека, 28 м3
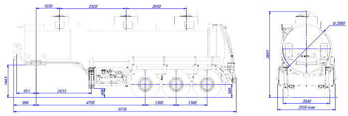
Бензовоз SF3328_3S_06 - полуприцеп-цистерна, предназначенная для перевозки и временного хранения бензина и светлых нефтепродуктов (бензина, керосина, дизельного топлива и т.д.). Конструкция цистерны выполнена из низколегированной стали. Объем цистерны составляет 28 м3. Бензовоз разделяется на 3 отсека с объемами 8,1 м3/10,6 м3/9,3 м3.
Бензовоз SF3328_3S_06 предназначен для эксплуатации с авто МАЗ, КАМАЗ, MAN, SCANIA и другие. Транспортируется тягачом колесной формулой 4х2 (6х4) российского или иностранного производства. Ходовая часть полуприцепа трехосная односкатная с пневмоподвеской или рессорной (на выбор клиента) производства «BPW» (Германия), гарантия предоставляется фирмой «BPW» до 3 лет. Двухпроводная тормозная система, оснащенная системой 2S/2M с функцией ABS. Полуприцеп SF3328_3S_06 оборудован крыльями из ПВХ.
Цистерна SF3328_3S_06 подвергается специальной обработки с предварительной грунтовкой, обогащенной цинком и окрашиванием в один цвет высококачественной двухкомпонентной краской. Высота седельно-сцепного устройства 1443 мм. Дополнительно может быть установлено разнообразное оборудование, такое как насос, счетчик, узел выдачи топлива, система рекуперации паров, система нижнего налива и т.д.
Технические характеристики
| Математическая модель | SF3328_3S_06 |
| Номинальная емкость, л | 28000 |
| Общая длина, мм | 10000 |
| Высота, мм | 4000 |
| Ширина, мм | 2550 |
| Колесная база, мм | 4795 +1360 + 1360 |
| Расстояние между осями, мм | 1360 |
| Колеса | 385/65R22,5; 6+1. |
| Общая масса брутто, кг | 32000 |
| Нагрузка ССУ, кг | 10580 |
| Нагрузка на оси, кг | 21420 |
| Грузоподъемность, кг | 25050 |
| Колесная формула тягача | 4x2 |
| Количество отсеков | 3 |
| Масса снаряжённого ТС, кг | 7750 |
| Оси | BPW |
| Высота ССУ, мм | 1450 |
| Рекуперация | Нет |
| Материал | Сталь |
| Расположение технологического ящика | Слева |
| Насос | Да |
|
Подробнее
|
|
Консультация инженера
