SF3340.4S_02, 40 м3, 4 отсека, ССУ 1450
Бензовозы SF3340.4S_02 от завода «Сеспель» имеет следующие основные технические характеристики: общая масса брутто - 42250 кг, нагрузка ССУ - 15250 кг, нагрузка на оси - 27000 кг, грузоподъемность - 34050 кг, высота ССУ - 1350-1450 мм.
Полуприцепы SF3340.4S_02 изготавливаются из стальных сплавов с показателями низкого легирования. Обустройство цистерны обязательно включает дыхательные клапаны, запорную арматуру, заливные горловины. Предназначен для перевозки: солярки или бензин и других нефтепродуктов.
Компания ЗАО «Сеспель» реализует бензовозы SF3340.4S_02, 40 м3, 4 отсека, ССУ 1450 в Екатеринбург, Санкт-Петербург, Нижний Новгород, Москву, Казань, Челябинск, Ростов-на-Дону – и в другие города России и в страны СНГ, где находятся торговые представительства компании «Сеспель». Уточнить их адреса для приобретения современной Чебоксарской техники и обращения за помощью по ее сервисному обслуживанию, вы сможете на странице Контакты.
Технические характеристики
| Математическая модель | SF3340.4S_02 |
| Номинальная емкость, л | 40000 |
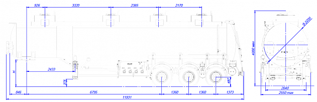
| Общая длина, мм | 12050 |
| Высота, мм | 4000 |
| Ширина, мм | 2550 |
| Колесная база, мм | 6795+1360+1360 |
| Расстояние между осями, мм | 1360 |
| Колеса | 385/65R22,5; 6+1 |
| Общая масса брутто, кг | 42250 |
| Нагрузка ССУ, кг | 15250 |
| Нагрузка на оси, кг | 27000 |
| Грузоподъемность, кг | 34050 |
| Колесная формула тягача | 6x4 |
| Количество отсеков | 4 |
| Масса снаряжённого ТС, кг | 8200 |
| Оси | BPW |
| Высота ССУ, мм | 1250 |
| Рекуперация | Нет |
| Материал | Сталь |
| Расположение технологического ящика | Слева |
| Насос | Нет |
|
Подробнее
|
|
Консультация инженера
