SF3930.3N.01, 30 м3, 3 отсека, ССУ 1250
Цистерна для химии цистерна SF3930_3N_01 является оптимальным вариантом для транспортировки битума, мазута, нефти – огнеопасных веществ, разогретых до 200-230 градусов и других веществ. Технические и конструкционные профессиональные решения делают данную технику надежной, долговечной и безопасной, устойчивой к потенциальному переворачиванию.
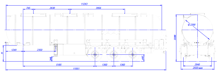
Полуприцеп sf3930 имеет следующие основные характеристики: номинальная емкость 30000 литров, габариты техники составляют 11,6х3,6х2,5 м., показатель грузоподъемности – 22,8 тонн, а общая масса 32000 кг.
Металлические цистерны производятся из стали марки 09Г2С. Модель SF3930 имеет один отсек с четырьмя волнорезами. Термоизоляция емкости sf3930 выполнена из устойчивого материала, толщиной в 15 см. Дополнительно покрывается защитным кожухом из оцинкованной стали. Толщина листа составляет 0,8 мм.
Технические характеристики
| Математическая модель | SF3930.3N.01 |
| Номинальная емкость, л | 30000 |
| Общая длина, мм | 11600 |
| Высота, мм | 3600 |
| Ширина, мм | 2550 |
| Колесная база, мм | 5185+1360+1360 |
| Расстояние между осями, мм | 1360 |
| Колеса | 385/65R22,5; 6+1 |
| Общая масса брутто, кг | 32000 |
| Нагрузка ССУ, кг | 10000 |
| Нагрузка на оси, кг | 22000 |
| Грузоподъемность, кг | 22600 |
| Колесная формула тягача | 6x4 |
| Количество отсеков | 1 |
| Масса снаряжённого ТС, кг | 9400 |
| Оси | BPW |
| Высота ССУ, мм | 1250 |
| Рекуперация | Нет |
| Материал | Нержавеющая сталь |
| Мойка | Нет |
| Давление от 2 атм | Да |
| Расположение технологического ящика | Сзади |
| Насос | Нет |
| Термоизоляция | Да |
| Система парообогрева | Да |
| Разгрузочный узел | Сзади |
|
Подробнее
|
|
Консультация инженера
