
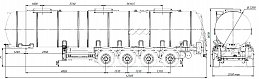
4-х осный полуприцеп для перевозки химических веществ SF4932
SF4932 - это полуприцеп-цистерна, предназначенная для перевозки химических веществ относящихся к 9 классу - прочие опасные вещества.
- Номинальная емкость, л
- 32000
- Количество отсеков
- 1-5
- Общая длина, мм
- 12200
- Высота, мм
- 3600
- Ширина, мм
- 2550
- Колесная база, мм
- 4885+1310+1310+1310
- Колесная формула
- 4x2
- Расстояние между осями, мм
- 1310
- Колеса
- 385/65R22,5; 8+1
- Общая масса брутто, кг
- 36000
- Нагрузка ССУ, кг
- 10000
- Нагрузка на оси, кг
- 26000
- Грузоподъемность, кг
- 26500
- Масса снаряжённого ТС, кг
- 9500
SF4932 - это 4-х осный полуприцеп-цистерна , предназначенная для перевозки химических веществ относящихся к 9 классу - прочие опасные вещества. Конструкция цистерны выполнена из нержавеющей стали и покрыт тепловой изоляцией. Объем цистерны составляет 32 м3. Транспортируется тягачом колесной формулой – 4х2 российского или иностранного производства. Один изолированный отсек. Ходовая часть полуприцепа SF4932 четырехосная односкатная с пневмоподвеской производства «BPW» (Германия), гарантия предоставляется фирмой «BPW» до 3 лет. Габариты 12,2х3,6х2,55 метров. Колесная база 4885+1310+1310+1310 мм.
Двухпроводная тормозная система, оснащенная системой 2S/2M с функцией ABS. Полуприцеп SF4932 для химических веществ оборудован индивидуальными крыльями из ПВХ. Цистерна подвергается специальной обработки с предварительной грунтовкой, обогащенной цинком и окрашиванием в один цвет высококачественной двухкомпонентной краской. Высота седельно-сцепного устройства 1250 мм. Колеса 385/65R22,5; 8+1.
Либо обратитесь к нашим специалистам и подберите комплектацию индивидуально






Наши инженеры помогут Вам рассчитать оптимальную нагрузку на дорогу по постановлению Правительства РФ №12 от 01.05.2015 г. под Ваш груз и Ваш тягач для работы без перегруза и штрафов.
Если у Вас есть индивидуальный проект - заполните опросный лист и пришлите его нам для расчета.