
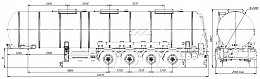
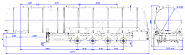
4-х осный химовоз полуприцеп нержавейка SF4832
SF4832 предназначена для транспортирования и кратковременного хранения неорганических и органических, химически агрессивных и химически нейтральных жидкостей и т.д.
- Номинальная емкость, л
- 32000
- Количество отсеков
- 1-3
- Общая длина, мм
- 12500
- Высота, мм
- 3600
- Ширина, мм
- 2550
- Колесная база, мм
- 4885 + 1310 + 1310 + 1310
- Расстояние между осями, мм
- 1310
- Колеса
- 385/65R22,5; 8+1
- Общая масса брутто, кг
- 36000
- Нагрузка ССУ, кг
- 10000
- Нагрузка на оси, кг
- 26000
- Грузоподъемность, кг
- 28000
- Масса снаряжённого ТС, кг
- 8000
4-х осные химовозы SF4832 - цистерна для химической продукции, предназначены для транспортирования и кратковременного хранения неорганических и органических, химически агрессивных и химически нейтральных жидкостей и т.д. Объем цистерны составляет 32 м3. Конструкция цистерны выполнена из нержавеющей стали. Цистерна предназначена для эксплуатации с авто МАЗ. Транспортируется тягачом колесной формулой 4х2 российского или иностранного производства. Габариты 12,5х3,6х2,55 метров. Расстояние между осями, 1310 мм. Грузоподъемность 28000 кг.
Ходовая часть полуприцепа четырехосная пневматическая производства «BPW» (Германия), гарантия предоставляется фирмой «BPW» до 3 лет. Двухпроводная тормозная система, оснащенная системой 2S/2M с функцией ABS. Полуприцеп оборудован крыльями из ПВХ. Цистерна подвергается специальной обработки с предварительной грунтовкой, обогащенной цинком и окрашиванием в один цвет высококачественной двухкомпонентной краской. Высота седельно-сцепного устройства от 1150 до 1250 мм.
Либо обратитесь к нашим специалистам и подберите комплектацию индивидуально



Наши инженеры помогут Вам рассчитать оптимальную нагрузку на дорогу по постановлению Правительства РФ №12 от 01.05.2015 г. под Ваш груз и Ваш тягач для работы без перегруза и штрафов.
Если у Вас есть индивидуальный проект - заполните опросный лист и пришлите его нам для расчета.