Подъемная цистерна SB3U35.1A_02

Подъемная цистерна SB3U35.1A_02 используются для транспортировки сыпучей продукции.Конструкция цистерны выполнена из алюминиевого сплава в виде несущей емкости.

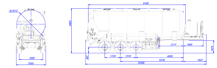
Номинальная емкость, л
35000
Отсеков
3
Общая длина, мм
10300
Высота, мм
4000
Ширина, мм
2550
Колесная база, мм
4000+1310+1310
Расстояние между осями, мм
1310
Колеса
385/65R22,5; 6+1
Общая масса брутто, кг
30600
Нагрузка ССУ, кг
8250
Нагрузка на оси, кг
22350
Грузоподъемность, кг
24200
Колесная формула тягача
4x2
Масса снаряжённого ТС, кг
6400
Оси
BPW
Подъемная цистерна SB3U35.1A_02 используются для транспортировки сыпучей продукции.Конструкция цистерны выполнена из алюминиевого сплава в виде несущей емкости.

Консультация инженера

Наши инженеры помогут Вам рассчитать оптимальную нагрузку на дорогу по постановлению Правительства РФ №12 от 01.05.2015 г. под Ваш груз и Ваш тягач для работы без перегруза и штрафов.

Есть индивидуальный проект?

Если у Вас есть индивидуальный проект - заполните опросный лист и пришлите его нам для расчета.

Файлы Cookie

Для повышения удобства работы с сайтом на нем используются файлы cookie. В cookie содержатся данные о Ваших прошлых посещениях сайта. Если Вы не хотите, чтобы эти данные обрабатывались, отключите cookie в настройках браузера