964884 ССУ 1250, 1 отсек_07
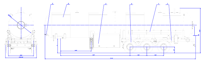
Газовоз 964884 ССУ 1250, 1 отсек_07 изготавливается в виде полуприцепа-цистерны, а также автоцистерны на шасси, предназначен для перевозки,заправки и временного хранения газа: пропана,бутана (СУГ). Объем цистерны изготавливаемой техники составляет 36100 л. Общая масса брутто 32 т. Грузоподъемность 18,7 т. Масса снаряжённого ТС 13300 кг.
Технические характеристики
| Математическая модель | 964884_07 |
| Номинальная емкость, л | 36100 |
| Общая длина, мм | 12300 |
| Высота, мм | 4000 |
| Ширина, мм | 2550 |
| Колесная база, мм | 5597+1360+1360 |
| Расстояние между осями, мм | 1360 |
| Колеса | 385/65R22,5; 6+1 |
| Общая масса брутто, кг | 32000 |
| Нагрузка ССУ, кг | 9400 |
| Нагрузка на оси, кг | 22600 |
| Грузоподъемность, кг | 18700 |
| Колесная формула тягача | 4x2 |
| Количество отсеков | 1 |
| Масса снаряжённого ТС, кг | 13300 |
| Оси | BPW |
| Высота ССУ, мм | 1150 |
| Материал | Сталь |
| Счетчик | Нет |
| Насос | Нет |
| Разгрузочный узел | Слева |
|
Подробнее
|
|
Консультация инженера
Наши инженеры помогут Вам рассчитать оптимальную нагрузку на дорогу по постановлению Правительства РФ №12 от 01.05.2015 г. под Ваш груз и Ваш тягач для работы без перегруза и штрафов.
Если у Вас есть индивидуальный проект - заполните опросный лист и пришлите его нам для расчета.
Заполнить опросный лист
