SF3330_5A_11, 30 м3, 5 отсеков, ССУ 1250
Бензовоз SF3330. 5A. 11 - это полуприцеп-цистерна, предназначенная для перевозки и временного хранения бензина и светлых нефтепродуктов (бензина, керосина, дизельного топлива и т.д.). Конструкция цистерны выполнена из алюминиевого сплава. Объем цистерны составляет 30 м3. Бензовоз разделяется на 5 отсеков, с объемами 8,2 м3 / 6,6 м3 / 4,6 м3, / 4,6 м3, / 6м3.
Бензовоз SF3330. 5A. 11 предназначен для эксплуатации с авто МАЗ. Транспортируется тягачом колесной формулой, 4х2 (6х4) российского или иностранного производства. Оборудован осями Sespel.
Цистерна подвергается специальной обработки с предварительной грунтовкой, обогащенной цинком и окрашиванием в один цвет высококачественной двухкомпонентной краской. Высота седельно-сцепного устройства от 1150 до 1250 мм. Дополнительно может быть установлено разнообразное оборудование, такое как насос, счетчик, узел выдачи топлива, система рекуперации паров, система нижнего налива и т.д.
Технические характеристики
| Математическая модель | SF3330_5A_11 |
| Номинальная емкость, л | 30000 |
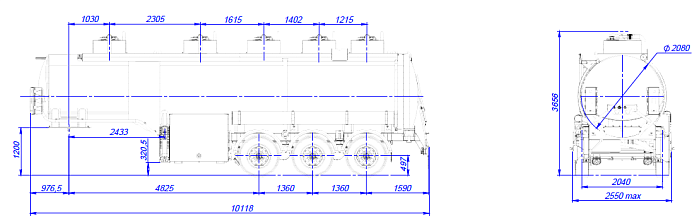
| Общая длина, мм | 10150 |
| Высота, мм | 4000 |
| Ширина, мм | 2550 |
| Колесная база, мм | 4825+1360+1360 |
| Расстояние между осями, мм | 1360 |
| Колеса | 385/65R22,5; 6+1 |
| Общая масса брутто, кг | 31500 |
| Нагрузка ССУ, кг | 9250 |
| Нагрузка на оси, кг | 22250 |
| Грузоподъемность, кг | 26050 |
| Колесная формула тягача | 4x2 |
| Количество отсеков | 5 |
| Масса снаряжённого ТС, кг | 5450 |
| Оси | BPW |
| Высота ССУ, мм | 1250 |
| Рекуперация | Да |
| Материал | Алюминий |
| Расположение технологического ящика | Слева |
| Насос | Нет |
|
Подробнее
|
|
Консультация инженера
